Previous Rule Change
Main Page
Resolution & Decision Main Page
Change List for this Rule
Search Decision #74342
Decision # 74342
Next Rule Change
Original Version
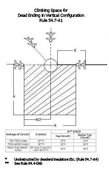
Figure 15
Strikeout and Underline Version
Final Version